您好,歡迎光臨帝國科技!
產品分類
PRODUCT
PRODUCT
- 國產晶振
- 聲表面濾波器
- 石英晶體
- 石英晶振
- 貼片晶振
- 陶瓷晶振
- 陶瓷濾波器
- 陶瓷霧化片
- 進口晶振
- MERCURY晶振
- Fujicom晶振
- 日本大真空晶振
- 愛普生晶振
- 西鐵城晶振
- 精工晶振
- 村田陶瓷晶振
- 日本京瓷晶振
- 日本進口NDK晶體
- 大河晶振
- TXC晶振
- 亞陶晶振
- 臺灣泰藝晶體
- 臺灣鴻星晶體
- 美國CTS晶體
- 微孔霧化片
- 加高晶振
- 希華石英晶振
- AKER晶振
- NAKA晶振
- SMI晶振
- NJR晶振
- NKG晶振
- Sunny晶振
- 歐美晶振
- Abracon晶振
- ECS晶振
- Golledge晶振
- IDT晶振
- Jauch晶振
- Pletronics晶振
- Raltron晶振
- SiTime晶振
- Statek晶振
- Greenray晶振
- 康納溫菲爾德晶振
- Ecliptek晶振
- Rakon晶振
- Vectron晶振
- 微晶晶振
- AEK晶振
- AEL晶振
- Cardinal晶振
- Crystek晶振
- Euroquartz晶振
- FOX晶振
- Frequency晶振
- GEYER晶振
- KVG晶振
- ILSI晶振
- MMDCOMP晶振
- MtronPTI晶振
- QANTEK晶振
- QuartzCom晶振
- Quarztechnik晶振
- Suntsu晶振
- Transko晶振
- Wi2Wi晶振
- ACT晶振
- MTI晶振
- Lihom晶振
- Rubyquartz晶振
- Oscilent晶振
- SHINSUNG晶振
- ITTI晶振
- PDI晶振
- ARGO晶振
- IQD晶振
- Microchip晶振
- Silicon晶振
- Fortiming晶振
- CORE晶振
- NIPPON晶振
- NICKC晶振
- QVS晶振
- Bomar晶振
- Bliley晶振
- GED晶振
- FILTRONETICS晶振
- STD晶振
- Q-Tech晶振
- Anderson晶振
- Wenzel晶振
- NEL晶振
- EM晶振
- PETERMANN晶振
- FCD-Tech晶振
- HEC晶振
- FMI晶振
- Macrobizes晶振
- AXTAL晶振
帝國博客
更多>>- 規格型號:89407528
- 頻率:6.75~90.0MHZ
- 尺寸:2.5*2.0mm詳細內容請瀏覽PDF文檔
- 產品描述:有源晶振,是只晶體本身起振需要外部電壓供應,起振后可直接驅動CMOS 集成電路,產品本身已實現與薄型IC(TSSOP封裝,TVSOP封裝)同樣的1mm厚度,斷開時的消費電流是15 μA以下,編帶包裝方式可對應自動搭載及IR回流焊接(無...
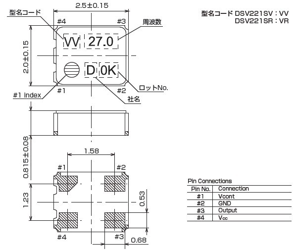
大真空DSV221SV,智能手機VCXO晶振,2520溫補晶振


.jpg)
大真空DSV221SV,智能手機VCXO晶振,2520溫補晶振,是指晶體本身起振需要外部電壓供應,VCXO晶振,起振后可直接驅動CMOS 集成電路,產品本身已實現與薄型IC(TSSOP封裝,TVSOP封裝)同樣的1mm厚度,斷開時的消費電流是15 µA以下,編帶包裝方式可對應自動搭載及IR回流焊接(無鉛對應)大真空晶振DSV221SV,產品有幾種電壓供選1.8V,2.5V,3V3.3V,5V,以應對不同IC產品需要.

規格參數 | DSV221SV |
頻率范圍 | 6.75~90.0MHZ |
電源電壓 | +1.8V±0.18V |
負載電容 | 15pF |
存儲溫度 | -40~+85℃ |
工作溫度 | -10~+70℃/-30~+85℃ |
溫度特征 |
±2.5×10-6 max /-30~+85℃ ±2.5×10-6 max /-30~+85℃ (Option) |
消費電流 | 2.9mA max [No Load] |
對稱性 | 45~55% [50% Vcc Level] |
輸出電壓 | Vcc×0.1 max / Vcc×0.9 min |
老化率 | ±1.0×10-6 max /year |
相位抖動 | 1.5ps max (fo offset : 12KHz~5MHz) |
起動時間 | 2.0ms max |




大真空靈活地應對不斷變化的社會需求,以市場為導向的方法的核心.我們的專家人員積極參與開發新產品,滿足市場的需求,根據他們的深刻洞察消費者的需求.我們正在開發的產品與《紐約時報》及時,從較小的移動終端到下一代智能電網所代表的工業基礎設施.我們將繼續致力于從事研究和開發高質量的石英裝置.

.jpg)
機械振動的影響
當晶體產品上存在任何給定沖擊或受到周期性機械振動時,比如:壓電揚聲器,壓電蜂鳴器,以及喇叭等,輸出頻率和幅度會受到影響.這種現象對通信器材通信質量有影響.盡管晶體產品設計可最小化這種機械振動的影響,我們推薦事先檢查并按照下列安裝指南進行操作.
PCB設計指導
(1) 理想情況下,機械蜂鳴器應安裝在一個獨立于晶體器件的PCB板上.如果您安裝在同一個PCB板上,最好使用余量或切割PCB.當應用于PCB板本身或PCB板體內部時,機械振動程度有所不同.建議遵照內部板體特性.
(2) 在設計時請參考相應的推薦封裝.
(3) 在使用焊料助焊劑時,按JIS標準(JIS C 60068-2-20/IEC 60,068-2-20).來使用.
(4) 請按JIS標準(JIS Z 3282, Pb 含量 1000ppm, 0.1wt% 或更少)來使用無鉛焊料.


SHENZHEN DIGUO TECHONLOGY CO.,LTD
聯系人:譚蘭艾 手 機:86-13826527865
電 話:86-0755-27881119 QQ:921977998
E-mail:dgkjly@163.com
網 址:www.chuinie.cn
地 址:中國廣東省深圳市寶安區西鄉大道新湖路