您好,歡迎光臨帝國科技!
產品分類
PRODUCT
PRODUCT
- 國產晶振
- 聲表面濾波器
- 石英晶體
- 石英晶振
- 貼片晶振
- 陶瓷晶振
- 陶瓷濾波器
- 陶瓷霧化片
- 進口晶振
- MERCURY晶振
- Fujicom晶振
- 日本大真空晶振
- 愛普生晶振
- 西鐵城晶振
- 精工晶振
- 村田陶瓷晶振
- 日本京瓷晶振
- 日本進口NDK晶體
- 大河晶振
- TXC晶振
- 亞陶晶振
- 臺灣泰藝晶體
- 臺灣鴻星晶體
- 美國CTS晶體
- 微孔霧化片
- 加高晶振
- 希華石英晶振
- AKER晶振
- NAKA晶振
- SMI晶振
- NJR晶振
- NKG晶振
- Sunny晶振
- 歐美晶振
- Abracon晶振
- ECS晶振
- Golledge晶振
- IDT晶振
- Jauch晶振
- Pletronics晶振
- Raltron晶振
- SiTime晶振
- Statek晶振
- Greenray晶振
- 康納溫菲爾德晶振
- Ecliptek晶振
- Rakon晶振
- Vectron晶振
- 微晶晶振
- AEK晶振
- AEL晶振
- Cardinal晶振
- Crystek晶振
- Euroquartz晶振
- FOX晶振
- Frequency晶振
- GEYER晶振
- KVG晶振
- ILSI晶振
- MMDCOMP晶振
- MtronPTI晶振
- QANTEK晶振
- QuartzCom晶振
- Quarztechnik晶振
- Suntsu晶振
- Transko晶振
- Wi2Wi晶振
- ACT晶振
- MTI晶振
- Lihom晶振
- Rubyquartz晶振
- Oscilent晶振
- SHINSUNG晶振
- ITTI晶振
- PDI晶振
- ARGO晶振
- IQD晶振
- Microchip晶振
- Silicon晶振
- Fortiming晶振
- CORE晶振
- NIPPON晶振
- NICKC晶振
- QVS晶振
- Bomar晶振
- Bliley晶振
- GED晶振
- FILTRONETICS晶振
- STD晶振
- Q-Tech晶振
- Anderson晶振
- Wenzel晶振
- NEL晶振
- EM晶振
- PETERMANN晶振
- FCD-Tech晶振
- HEC晶振
- FMI晶振
- Macrobizes晶振
- AXTAL晶振
帝國博客
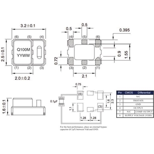
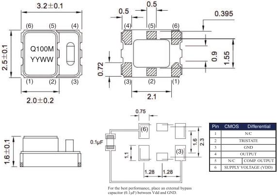
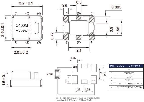
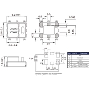
更多>>- 規格型號:72083291
- 頻率:10MHZ~1.500000GHz
- 尺寸:3.2*2.5mm
- 產品描述:Q-Tech晶振,QTCT236晶振,QTCT236LWH-10.000000晶振,小型SMD有源晶振,從最初超大體積到現在的7050mm,6035mm,5032mm,3225mm,2520mm體積,有著翻天覆地的改變,體積的變小也使產品帶來了更高的穩定性能,接縫密封石英晶體振...
Q-Tech晶振,QTCT236晶振,QTCT236LWH-10.000000晶振


.jpg)

Q-Tech Corporation成立于1972年,旨在為要求苛刻的應用的公司提供最先進的晶振時鐘振蕩器和頻率控制解決方案。公司的理念是,采用先進的振蕩器技術制造的產品,致力于質量,準時交貨和客戶服務,將為我們的客戶及其需求帶來巨大的利益。
Q-Tech在美國加利福尼亞州卡爾弗城的35,000平方英尺的工廠內運營,通過了AS9100和ISO 9001質量管理體系認證。公司在北美,歐洲和亞洲均設有銷售部門,業務遍及全球。Q-Tech以其在體聲波(BAW)和表面聲波(SAW)器件方面的尖端設計和制造能力而聞名。它不斷致力于研究和開發關鍵頻率控制技術,從而改進了更高頻率,小型化,低成本和新設計的領域。
作為美國領先的MIL-PRF-55310合格產品制造商以及航空航天公司TOR(GPS III)和NASA GSFC規格等超高可靠性標準,Q-Tech自豪地為軍事,航空航天,井下服務,和我們的客戶合作四十年,在深空工業中取得無限成功。由Q-Tech設計和制造的零件在地殼以下數公里的范圍內,以及遠遠超出太陽系的深空任務中都表現出色。
Q-Tech致力于通過優化公司的能力和資源(包括整個供應鏈管理),持續改進實現整體產品卓越性。
Q-TechCrystal是美國知名頻率元件研發制造商,1972年成立至今始終為用戶提供高可靠,低功耗Q-Tech晶振,在有源晶體振蕩器方面處于領先地位.生產進口Q-Tech晶體振蕩器,TCXO溫補晶振,有源晶振等產品.Q-Tech晶振,QTCT236晶振,QTCT236LWH-10.000000晶振.



將晶振加熱包裝材料至+150°C以上會破壞產品特性或損害產品.如需在+150°C以上焊接石英晶振,建議使用SMD晶振產品.在下列回流條件下,對石英晶振產品甚至SMD貼片晶振使用更高溫度,會破壞晶振特性.建議使用下列配置情況的回流條件.安裝這些貼片晶振之前,應檢查焊接溫度和時間.同時,在安裝條件更改的情況下,請再次進行檢查.如果需要焊接的晶振產品在下列配置條件下進行焊接,請聯系我們以獲取耐熱的相關信息.
粘合劑
請勿使用可能導致石英晶振所用的封裝材料,終端,組件,玻璃材料以及氣相沉積材料等受到腐蝕的膠粘劑.(比如,氯基膠粘劑可能腐蝕一個晶振的金屬“蓋”,從而破壞密封質量,降低性能.)
機械振動的影響
當晶振產品上存在任何給定沖擊或受到周期性機械振動時,比如:壓電揚聲器,壓電蜂鳴器,以及喇叭等,輸出頻率和幅度會受到影響.這種現象對通信器材通信質量有影響.盡管晶振產品設計可最小化這種機械振動的影響,我們推薦事先檢查并按照下列安裝指南進行操作.
熱影響
重復的溫度巨大變化可能會降低受損害的石英晶振產品特性,并導致塑料封裝里的線路擊穿.必須避免這種情況.
安裝方向
振蕩器的不正確安裝會導致故障以及崩潰,因此安裝時,請檢查安裝方向是否正確.
通電
不建議從中間電位和/或極快速通電,否則會導致無法產生振蕩和/或非正常工作.
負載電容
有源晶振振蕩電路中負載電容的不同,可能導致振蕩頻率與設計頻率之間產生偏差.試圖通過強力調整,可能只會導致不正常的振蕩.在使用之前,請指明該振動電路的負載電容(請參閱“負載電容”章節內容).Q-Tech晶振,QTCT236晶振,QTCT236LWH-10.000000晶振.


深圳市帝國科技有限公司
SHENZHEN DIGUO TECHONLOGY CO.,LTD
手 機:86-13826527865
電 話:86-0755-27881119 QQ:921977998
E-mail:dgkjly@163.com
網 址:www.chuinie.cn
地 址:中國廣東省深圳市寶安區西鄉大道新湖路