PRODUCT
- 國產晶振
- 聲表面濾波器
- 石英晶體
- 石英晶振
- 貼片晶振
- 陶瓷晶振
- 陶瓷濾波器
- 陶瓷霧化片
- 進口晶振
- MERCURY晶振
- Fujicom晶振
- 日本大真空晶振
- 愛普生晶振
- 西鐵城晶振
- 精工晶振
- 村田陶瓷晶振
- 日本京瓷晶振
- 日本進口NDK晶體
- 大河晶振
- TXC晶振
- 亞陶晶振
- 臺灣泰藝晶體
- 臺灣鴻星晶體
- 美國CTS晶體
- 微孔霧化片
- 加高晶振
- 希華石英晶振
- AKER晶振
- NAKA晶振
- SMI晶振
- NJR晶振
- NKG晶振
- Sunny晶振
- 歐美晶振
- Abracon晶振
- ECS晶振
- Golledge晶振
- IDT晶振
- Jauch晶振
- Pletronics晶振
- Raltron晶振
- SiTime晶振
- Statek晶振
- Greenray晶振
- 康納溫菲爾德晶振
- Ecliptek晶振
- Rakon晶振
- Vectron晶振
- 微晶晶振
- AEK晶振
- AEL晶振
- Cardinal晶振
- Crystek晶振
- Euroquartz晶振
- FOX晶振
- Frequency晶振
- GEYER晶振
- KVG晶振
- ILSI晶振
- MMDCOMP晶振
- MtronPTI晶振
- QANTEK晶振
- QuartzCom晶振
- Quarztechnik晶振
- Suntsu晶振
- Transko晶振
- Wi2Wi晶振
- ACT晶振
- MTI晶振
- Lihom晶振
- Rubyquartz晶振
- Oscilent晶振
- SHINSUNG晶振
- ITTI晶振
- PDI晶振
- ARGO晶振
- IQD晶振
- Microchip晶振
- Silicon晶振
- Fortiming晶振
- CORE晶振
- NIPPON晶振
- NICKC晶振
- QVS晶振
- Bomar晶振
- Bliley晶振
- GED晶振
- FILTRONETICS晶振
- STD晶振
- Q-Tech晶振
- Anderson晶振
- Wenzel晶振
- NEL晶振
- EM晶振
- PETERMANN晶振
- FCD-Tech晶振
- HEC晶振
- FMI晶振
- Macrobizes晶振
- AXTAL晶振
帝國博客
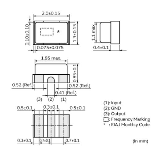
更多>>- 規格型號:4805074
- 頻率:26.000MHz
- 尺寸:2.0*1.3*1.0mm
- 產品描述:村田晶振,CSTCG_V晶振,CSTCG26M0V53-R0晶振,村田自1973年在中國香港成立第一家銷售公司起,至今村田中國已擁有19個銷售據點、4個工廠以及4個研發設計基地,近距離為客戶提供及時有效的服務和技術支持.村田中國以滿足客戶...
村田晶振,CSTCG_V晶振,CSTCG26M0V53-R0晶振


村田晶振,CSTCG_V晶振,CSTCG26M0V53-R0晶振,村田自1973年在中國香港成立第一家銷售公司起,至今村田中國已擁有19個銷售據點、4個工廠以及4個研發設計基地,近距離為客戶提供及時有效的服務和技術支持.村田中國以滿足客戶的要求作為企業經營的最優先課題,全體員工同心協力完成工作.村田公司是一家使用性能優異電子原料,設計、制造最先進的小體積貼片晶振,陶瓷晶振,陶瓷晶體諧振器,陶瓷濾波器電子元器件及多功能高密度模塊的企業.不僅是手機、家電,汽車相關的應用、能源管理系統、醫療保健器材等,都有村田公司的身影。村田制作所基于高尚的企業道德,遵循其經營理念,以繼續成為受社會信賴的公司為目標,承諾遵守法律和法規,實施高度透明的管理、尊重人權、維護健康與安全、為社會發展和環境保護做出貢獻.
2009年度,根據環境管理體系中的規定,村田在其日本國內的所有事業所和海外的所有生產基地中,建立了綠色經營活動的框架,通過共享與綠色經營有關的信息,致力于開展有效的和實際效果大的環保活動,并強化企業的管治能力.村田晶振,CSTCG_V晶振,CSTCG26M0V53-R0晶振.
村田晶振發展史:
1973年10月 在中國香港成立銷售公司—村田有限公司
1978年11月 收購臺灣的生產銷售公司—美國企業的當地法人「Mallory 現在的(臺灣村田股份有限公司)]
1994年7月 在中國北京成立制造公司—北京村田電子有限公司,主要生產銷售,貼片陶瓷晶振,陶瓷晶體,陶瓷諧振器等
1994年12月 在中國江蘇省無錫市成立生產,銷售公司—無錫村田電子有限公司
1995年5月 在中國上海成立銷售公司—村田電子貿易(上海)有限公司,以研發生產銷售石英晶振,陶瓷諧振器,壓電陶瓷晶振,貼片陶瓷晶振,村田陶瓷晶振等.
1999年7月 在中國深圳成立銷售公司—村田電子貿易(深圳)有限公司
1999年8月 在中國天津成立銷售公司—村田電子貿易(天津)有限公司,主要生產銷售陶瓷晶振,村田陶瓷諧振器,村田晶振等
2001年7月 在中國香港成立制造,銷售公司—香港村田電子有限公司
2005年6月 在中國廣東省深圳市成立制造公司—深圳科技有限公司
2005年12月 在中國上海成立中華地區銷售統括公司—村田(中國)投資有限公司
2006年4月 Murata Electronics North America Inc.收購 SyChip (在中國有SyChip的上海分公司)
2006年10月 在四川大學、浙江大學、中國科學技術大學、武漢大學開始實施助學金制度
2007年3月 在村田(中國)投資有限公司增資及設立了內部研發中心
2007年4月 成立了村田(中國)投資有限公司浦東分公司與上海SyChip,共同進行研發工作
2009年5月 在上海村田(中國)投資有限公司新辦公大樓竣工.
產品型 | 陶瓷諧振器 |
---|---|
系列名 | CSTCG_V |
頻率 | 26.000MHz |
頻率公差 | ±0.50% max. |
工作溫度范圍 | -20℃~80℃ |
頻率溫度特性 | ±0.30% max. |
頻率老化 | ±0.20% max. |
諧振電阻 (R1) | 50Ω max. |
內置負載電容(CL1/CL2) | 15pF |
形狀 | SMD |
清洗 | 不支持 |
長x寬 | 2.0x1.3mm |
質量 | 13mg |
.jpg)


各項注意事項:
產品使用每種產品時,請在規格說明村田陶瓷振蕩子產品目錄規定使用條件下使用。因很多種產品性能,以及材料有所不同,所以使用注意事項也有所不同,比如焊接模式,運輸模式,保存模式等等,都會有所差別。
村田諧振器產品設計和生產直到出廠,都會經過嚴格的測試檢測來滿足它的規格要求。通過嚴格的出廠前可靠性測試以提供高質量高的可靠性的.但是為了的品質和可靠性,必須在適當的條件下存儲,安裝,運輸。
請注意以下的注意事項并在最佳的條件下使用產品,我們將對于客戶按自己的判斷而使用石英晶振所導致的不良不負任何責任。
機械振動的影響:當村田陶瓷晶振產品上存在任何給定沖擊或受到周期性機械振動時,比如:壓電揚聲器,壓電蜂鳴器,以及喇叭等,輸出頻率和幅度會受到影響。這種現象對通信器材通信質量有影響。盡管產品設計可最小化這種機械振動的影響,我們推薦事先檢查并按照下列安裝指南進行操作。
.jpg)

村田晶振,CSTCG_V晶振,CSTCG26M0V53-R0晶振,2010年3月完成了對日本村田晶振在國內全部事業所和海外全部陶瓷晶振,陶瓷諧振器,村田陶瓷振蕩子生產據點的環保管理系統整合.通過所構建的國際化環保管理系統,進一步強化了村田晶振集團的管制,能夠推進更加有效且具有更高實效性的環保活動.而且,以往我們都以各事業所為單位進行PDCA循環,從2012年起,我們把多家事業所作為一個管理單位,不斷推動著PDCA循環的衛星化.
根據員工的職位和業務內容實施環保教育,為了提高員工的環保意識,村田晶振對全體員工實施環保教育.并且在2012年對內部監查員培訓講座的教學綱要進行了修改調整,引進了模擬監查等,使教育內容更加接近于實際的監查.此外,針對生產村田晶振,陶瓷諧振器,村田石英晶振,陶瓷振蕩器的生產操作排水排氣等對環保有影響的設備的員工,開展個別教學,使其掌握正確的檢查方法、提高運轉效率,力爭最大限度地減少環保影響.

深圳市帝國科技有限公司
SHENZHEN DIGUO TECHONLOGY CO.,LTD
手 機:86-13826527865
電 話:86-0755-27881119 QQ:921977998
E-mail:dgkjly@163.com
網 址:www.chuinie.cn
地 址:中國廣東省深圳市寶安區西鄉大道新湖路