您好,歡迎光臨帝國科技!
產品分類
PRODUCT
PRODUCT
- 國產晶振
- 聲表面濾波器
- 石英晶體
- 石英晶振
- 貼片晶振
- 陶瓷晶振
- 陶瓷濾波器
- 陶瓷霧化片
- 進口晶振
- MERCURY晶振
- Fujicom晶振
- 日本大真空晶振
- 愛普生晶振
- 西鐵城晶振
- 精工晶振
- 村田陶瓷晶振
- 日本京瓷晶振
- 日本進口NDK晶體
- 大河晶振
- TXC晶振
- 亞陶晶振
- 臺灣泰藝晶體
- 臺灣鴻星晶體
- 美國CTS晶體
- 微孔霧化片
- 加高晶振
- 希華石英晶振
- AKER晶振
- NAKA晶振
- SMI晶振
- NJR晶振
- NKG晶振
- Sunny晶振
- 歐美晶振
- Abracon晶振
- ECS晶振
- Golledge晶振
- IDT晶振
- Jauch晶振
- Pletronics晶振
- Raltron晶振
- SiTime晶振
- Statek晶振
- Greenray晶振
- 康納溫菲爾德晶振
- Ecliptek晶振
- Rakon晶振
- Vectron晶振
- 微晶晶振
- AEK晶振
- AEL晶振
- Cardinal晶振
- Crystek晶振
- Euroquartz晶振
- FOX晶振
- Frequency晶振
- GEYER晶振
- KVG晶振
- ILSI晶振
- MMDCOMP晶振
- MtronPTI晶振
- QANTEK晶振
- QuartzCom晶振
- Quarztechnik晶振
- Suntsu晶振
- Transko晶振
- Wi2Wi晶振
- ACT晶振
- MTI晶振
- Lihom晶振
- Rubyquartz晶振
- Oscilent晶振
- SHINSUNG晶振
- ITTI晶振
- PDI晶振
- ARGO晶振
- IQD晶振
- Microchip晶振
- Silicon晶振
- Fortiming晶振
- CORE晶振
- NIPPON晶振
- NICKC晶振
- QVS晶振
- Bomar晶振
- Bliley晶振
- GED晶振
- FILTRONETICS晶振
- STD晶振
- Q-Tech晶振
- Anderson晶振
- Wenzel晶振
- NEL晶振
- EM晶振
- PETERMANN晶振
- FCD-Tech晶振
- HEC晶振
- FMI晶振
- Macrobizes晶振
- AXTAL晶振
帝國博客
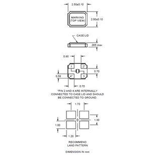
更多>>- 規格型號:99000870
- 頻率:12~80MHZ
- 尺寸:2.5*2.0mm
- 產品描述:ILSI晶振,ILCX18晶振,ILCX18-FB1F18-20.000晶振.ILSI晶振.銷售渠道由全球24個地區代表組成,覆蓋50個美國,加拿大西部和東部,墨西哥,亞洲,英國,波蘭,德國,法國,意大利,奧地利和南美洲中的45個。銷售渠道還受到...
ILSI晶振,ILCX18晶振,ILCX18-FB1F18-20.000晶振


.jpg)

ILSI晶振,ILCX18晶振,ILCX18-FB1F18-20.000晶振.ILSI晶振.銷售渠道由全球24個地區代表組成,覆蓋50個美國,加拿大西部和東部,墨西哥,亞洲,英國,波蘭,德國,法國,意大利,奧地利和南美洲中的45個。銷售渠道還受到由多國一級分銷商,地區分銷,美國分類目錄和歐洲分類目錄組成的分銷基礎設施的支持; 共有8家專營分銷渠道合作伙伴。
強調:
ILSI-MMD提供廣泛的頻率控制產品包裝,包括工業標準和定制金屬罐通孔表面貼裝晶體,塑料封裝的手表晶體,陶瓷表面貼裝晶體和陶瓷表面貼裝時鐘振蕩器
ILSI-MMD核心頻率控制產品:晶體。XO,VCXO,TCXO,OCXO振蕩器和諧振器
ILSI-MMD是用于RF /無線應用的TCXO頻率控制產品的市場領導者
ILSI-MMD是一家通過ISO9001:2008 DNV認證的供應商
ILSI-MMD是全球各合同制造/ EMS供應商的認可供應商
ILSI-MMD通過香港的貨運樞紐/倉庫為我們的亞洲合同制造和亞洲直接客戶提供支持,以簡化物流
具有35年頻率控制產品經驗的ILSI-MMD現場應用工程團隊.
ILSI晶振是全球領先的石英晶振,貼片晶振,石英晶體振蕩器研發生產制造商.艾爾西晶振于2013年收購MMDMonitor公司,更名為ILSI-MMD Inc.ILSI晶振,ILCX18晶振,ILCX18-FB1F18-20.000晶振.

ILSI晶振規格 | 單位 | ILCX18晶振頻率范圍 | 石英晶振基本條件 | |
標準頻率 | f_nom | 12~80MHZ | 標準頻率 | |
儲存溫度 | T_stg | -40°C ~ +85°C | 裸存 | |
工作溫度 | T_use | 0°C ~ +70°C(標準)(有關更多選項,請參閱部件編號指南) | 標準溫度 | |
激勵功率 | DL | 100µW Max. | 推薦:1μW ~ 100μW | |
頻率公差 | f_— l |
±30 × 10-6 (標準)有關更多選項,請參閱部件編號指南 |
+25°C 對于超出標準的規格說明,請聯系我們以便獲取相關的信息,http://www.chuinie.cn/ | |
頻率溫度特征 | f_tem |
±50 × 10-6 有關更多選項,請參閱部件編號指南 |
超出標準的規格請聯系我們. | |
負載電容 | CL | 18pF(標準) | 不同負載要求,請聯系我們. | |
串聯電阻(ESR) | R1 | / | -40°C — +85°C, DL = 100μW | |
頻率老化 | f_age | ±3 × 10-6 / year Max. | +25°C,第一年 |
.jpg)


(1) 在更高或更低溫度或高濕度環境下長時間保存晶體產品時,會影響頻率穩定性或焊接性。請在正常溫度和濕度環境下保存這些晶體產品,并在開封后盡可能進行安裝,以免長期儲藏。
正常溫度和濕度:
溫度:+15°C 至 +35°C,濕度 25 % RH 至 85 % RH(請參閱“測試點JIS C 60068-1 / IEC 60068-1的標準條件”章節內容)。
(2) 請仔細處理內外盒與卷帶。外部壓力會導致卷帶受到損壞。
安裝時注意事項
耐焊性
加熱包裝材料至+150°C以上會破壞產品特性或損害產品。如需在+150°C以上焊接晶體產品,建議使用SMD產品。在下列回流條件下,對晶體產品甚至SMD產品使用更高溫度,會破壞產品特性。建議使用下列配置情況的回流條件。安裝這些產品之前,應檢查焊接溫度和時間。同時,在安裝條件更改的情況下,請再次進行檢查。如果需要焊接的石英晶體產品在下列配置條件下進行焊接,請聯系我們以獲取耐熱的相關信息。
(1)柱面式產品和DIP產品
型號 焊接條件
[ 柱面式 音叉晶振]
C-類型,C-2-類型,C-4-類型 +280°C或低于@最大值5 s
請勿加熱封裝材料超過+150°C
[ 柱面式 ]
CA-301
[ DIP ]
SG-51 / 531, SG-8002DB DC,
RTC-72421 / 7301DG +260°C或低于@最大值 10 s
請勿加熱封裝材料超過+150°C
(2)SMD晶振產品回流焊接條件(實例)
用于JEDEC J-STD-020D.01回流條件的耐熱可用性需個別判斷。請聯系我們以便獲取相關信息。
盡可能使溫度變化曲線保持平滑。ILSI晶振,ILCX18晶振,ILCX18-FB1F18-20.000晶振.


深圳市帝國科技有限公司
SHENZHEN DIGUO TECHONLOGY CO.,LTD
手 機:86-13826527865
電 話:86-0755-27881119 QQ:921977998
E-mail:dgkjly@163.com
網 址:www.chuinie.cn
地 址:中國廣東省深圳市寶安區西鄉大道新湖路